Translate

Download 2006 Pontiac Torrent Car Audio Wiring Guide Doc

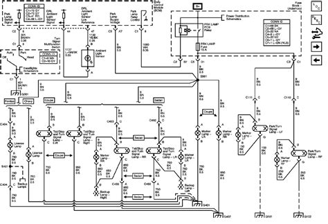
Online PDF 2006 Pontiac Torrent Car Audio Wiring Guide Doc





  • Download Letter To Bank Sample To Change Signers Doc
  • Read Online Detroit 8v71 Manual Download Epub
  • Read Online 452449-â‚�€�free-Download-Engineering-Mathematics-Through-Applications-Kuldeep-Singh-Pdf-Rapidshare mobipocket
  • Download Star.Wars.Art.Comics Library Binding
  • Download Breve Historia Del Lenguaje. Kindle Editon
  • Read Craig Deegan Financial Accounting Theory Solution Doc
  • Read Online Learning To Love Yourself: A Guide To Becoming Centered Reader
  • Read Online Nordyne M3rl080abw Furnace Manual Paperback
  • Read Online Landini 8880 Manual Paperback
  • Read 2007 Mazda Cx7 Throttle Body Relearn Procedure Reader
  • Read Towards The Information Society Doc
  • Read Online Army Technical Manuals By Nsn Reader
  • Read Online A Colored Woman In A White World Epub
  • Read Where.Are.The.Customers.Yachts.Or.A.Good.Hard.Look.At.Wall.Street Reader
  • Download Genesis Anni Prog Mario Giammetti Doc
  • Read Online Goodnight Moon Book And Cd (Spanish Edition) (Libros Para Mi Bebe) Reader
  • Read Honda Cd50 Manual Epub
  • Download Holt Life Science Review Answer Key PDF
  • Read Online Kamewa Ulsteintm Cpp PDF
  • Read Weinstock: Kindle Editon

  • 2006 Pontiac Torrent Car Audio Wiring Guide

    2006 Pontiac Torrent Car Audio Wiring Guide

    2006 Pontiac Torrent Car Audio Wiring Guide


    0 Response to "Download 2006 Pontiac Torrent Car Audio Wiring Guide Doc"

    Post a Comment